
Ringelemente
Ring Elemente sind in verschiendene Shore Härte verfügbar.
Material: NK (Naturkautschuk) in 45-57-70 Shore Härte
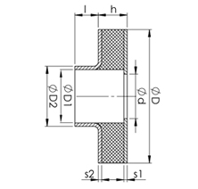
| Art.-Nr. | ØD mm | Ød mm | ØD1 mm | ØD2 mm | h mm | l mm | S1 mm | S2 mm |
| RE-36106 | 36 | 6,2 | 6,2 | 15 | 10 | 6 | 1 | 1 |
| RE-36104 | 36 | 8,5 | 12 | 18 | 10 | 4 | 1 | 1 |
| RE-36083 | 36 | 16,6 | 16,6 | 20 | 8 | 3 | 1 | 1 |
| RE-601310 | 60 | 20,5 | 24 | 27 | 13 | 10,5 | 1,5 | 1,5 |
| RE-60134 | 60 | 20,5 | 24 | 27 | 13 | 4 | 1,5 | 1,5 |
| RE-60304 | 60 | 20,5 | 24 | 27 | 30 | 4 | 1,5 | 1,5 |
Die Firma AKO legte den Grundstein der Produktion von Gummi-Metall-Elemten in der Türkei.
Aufgrund der erfolgreichen und wachsenden Geschäftsbeziehungen in Europa entschied sich die Geschäftsführung den Vertrieb und das Lager um den Standort Augsburg zu erweitern.
Unser Standort ermöglicht uns somit die persönliche Beratung, kurze Lieferzeiten und erspart Ihnen die kostspieligen und zeitaufwendigen Zollformalitäten.
Haftungsausschluss: Die bereitgestellten Informationen auf der Website wurden sorgfältig geprüft und werden regelmäßig aktualisiert. Jedoch kann keine Haftung oder Garantie dafür übernommen werden, dass alle Angaben zu jeder Zeit vollständig, richtig und in letzter Aktualität dargestellt sind. Dies gilt insbesondere für Links zu anderen Websites, auf die direkt oder indirekt verwiesen wird. Hinsichtlich der Links erklärt Ako-Dichtungen ausdrücklich, dass sie keinerlei Einfluss auf die Gestaltung und die Inhalte der verlinkten Seiten hat und sich diese Inhalte nicht zu eigen macht.
Vertrieb und Lager:
AKO GmbH
Hochstr. 15 D-86399 Bobingen
Tel.: +49 (0) 8234 9983 777
Fax.: +49 (0) 8234 9983 778
E-Mail.: info@ako-industriebedarf.de
Internet.: www.ako-industriebedarf.de
